Home
Profile
Products

Contact

Order Online
Links
 

*LINEAR BEARING *MINI TYPE BEARING
*SUPER LINEAR BEARING *FLANGED LINEAR BEARING
*LINEAR CASE UNITS *SHAFT SUPPORTS
*SHAFT *SUPPORT RAIL UNIT
*BALL SCREW *LINEAR MOTION GUIDE
*OVERRUNNING CLUTCH *ROD END

1 LINEAR MOTION GUIDE
HLH-B TYPE HLH-A TYPE HLS-B TYPE HLS-A TYPE HLS-C TYPE
HLS-C TYPE
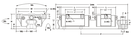
MODEL NO. Assembled Dimension Seat Dimension(mm) Track Dimension(mm)
H W W2 E L BXJ øQX& L1 Hole of oil T1 N W1 H1 F dXDXh
HLS20CS 28 59 19.5 5 57 49 ø5.7x7 28 M6X1 5 6.5 20 18 60 6X9.5X8.5
HLS25C 33 73 25 7 88 60X35 ø7x9 57 M6X1 4.8 6.5 23 22 60 7X11X9
HLS25CS 62.5 60 31.5

MODEL NO. (mm) Basic Loas Rating (kgf*m) Weight
Lmax G) C(kgf) Co(G) Mx My Mz Block(kgf) Track(kgf/M)
HLS20CS 4000 20 830 1470 12.6 10.3 10.3 0.17 2.6
HLS25C 4000 20 2140 4000 36 32 31 0.5 3.6
HLS25CS 1190 2230 20 17.5 17.2 0.33

Copyright © 2007 hl-bearing.com. All rights reserved.