|
|
|
 |
LINEAR MOTION
GUIDE |
| |
|
| HLS-B TYPE |
 |
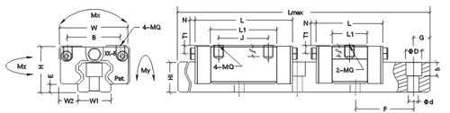
| MODEL NO. |
Assembled Dimension |
Seat Dimension(mm) |
Track Dimension(mm) |
| H |
W |
W2 |
E |
L |
BXJ |
MQX& |
L1 |
Hole of oil |
T1 |
N |
W1 |
H1 |
F |
dXDXh |
| HLS15B |
24 |
34 |
9.5 |
4.6 |
66 |
26X26 |
M4X5.6 |
40 |
ø3 |
4.3 |
5 |
15 |
14 |
60 |
4.5X7.5X5.3 |
| HLS15BS |
47.6 |
26X- |
21.6 |
| HLS20B |
28 |
42 |
11 |
5 |
77.8 |
32X32 |
M5X7 |
48.8 |
M6X1 |
5 |
6.5 |
20 |
18 |
60 |
6X9.5X8.5 |
| HLS20BS |
58 |
32X- |
28 |
| HLS25B |
33 |
48 |
12.5 |
7 |
88 |
35X35 |
M6X8.4 |
57 |
M6X1 |
4.8 |
6.5 |
23 |
22 |
60 |
7X11X9 |
| HLS25BS |
62.5 |
35X- |
31.5 |
| HLS25BL |
110.1 |
35X50 |
79.1 |
| HLS30B |
42 |
60 |
16 |
9 |
109 |
40X40 |
M8X11.2 |
72 |
M6X1 |
7 |
6.5 |
28 |
26 |
80 |
9X14X12 |
| HLS30BS |
75.6 |
40X- |
38.6 |
| HLS30BL |
131.3 |
40X60 |
94.3 |
| HLS35B |
48 |
70 |
18 |
9.5 |
119 |
50X50 |
M8X11.2 |
80 |
M6X1 |
8 |
6.5 |
34 |
29 |
80 |
9X14X12 |
| HLS35BS |
84.7 |
50X- |
45.7 |
| HLS35BL |
144.8 |
50X72 |
105.8 |
| HLS45B |
60 |
86 |
20.5 |
14 |
148.2 |
60X60 |
M10X14 |
105 |
M8X1 |
8.5 |
13 |
45 |
38 |
105 |
14X20X17 |
| HLS45BL |
173 |
60X80 |
129.8 |
| HLS55B |
68 |
100 |
23.5 |
15 |
170 |
75X75 |
M12X15 |
121 |
M8X1 |
8 |
13 |
53 |
44 |
120 |
16X23X21 |
| HLS55BL |
205.1 |
75X95 |
156.1 |
| MODEL NO. |
(mm) |
Basic Loas Rating |
(kgf*m) |
Weight |
| Lmax |
G) |
C(kgf) |
Co(G) |
Mx |
My |
Mz |
Block(kgf) |
Track(kgf/M) |
| HLS15B |
4000 |
20 |
850 |
1650 |
10 |
8 |
8 |
0.17 |
1.4 |
| HLS15BS |
510 |
950 |
6 |
4.8 |
4.8 |
0.1 |
| HLS20B |
4000 |
20 |
1450 |
2560 |
22 |
18 |
18 |
0.26 |
2.6 |
| HLS20BS |
830 |
1470 |
12.6 |
10.3 |
10.3 |
0.17 |
| HLS25B |
4000 |
20 |
2140 |
4000 |
36 |
32 |
32 |
0.38 |
3.6 |
| HLS25BS |
1190 |
2230 |
20 |
17.5 |
17.2 |
0.21 |
| HLS25BL |
2996 |
5600 |
50.4 |
44.8 |
43.4 |
0.53 |
| HLS30B |
4000 |
20 |
2980 |
5490 |
60 |
50 |
49 |
0.81 |
5.2 |
| HLS30BS |
1595 |
2940 |
32 |
27 |
27 |
0.48 |
| HLS30BL |
3900 |
7190 |
78.5 |
65 |
65 |
1.06 |
| HLS35B |
4000 |
20 |
3960 |
7010 |
96 |
75 |
73 |
1.2 |
7.2 |
| HLS35BS |
2260 |
4000 |
54.5 |
42.5 |
41.5 |
0.8 |
| HLS35BL |
5230 |
9270 |
125 |
95 |
95 |
1.6 |
| HLS45B |
4000 |
22.5 |
6740 |
12100 |
216 |
170 |
168 |
2.1 |
12.3 |
| HLS45BL |
8330 |
14950 |
267 |
210 |
210 |
2.6 |
| HLS55B |
4000 |
30 |
9940 |
17100 |
367 |
293 |
288 |
3.6 |
16.9 |
| HLS55BL |
12820 |
22060 |
473 |
380 |
375 |
4.6 |
|